公司简介
经营理念
竞争优势
企业文化
企业愿望
产品展示
方向控制阀
压力控制阀
流量阀
叠加阀
插装阀
螺纹插装阀
管式阀
比例控制阀
方向控制多路阀
油路板
油路板
液压系统
液压附件
新闻中心
应用案例
下载中心
招聘信息
产品展示
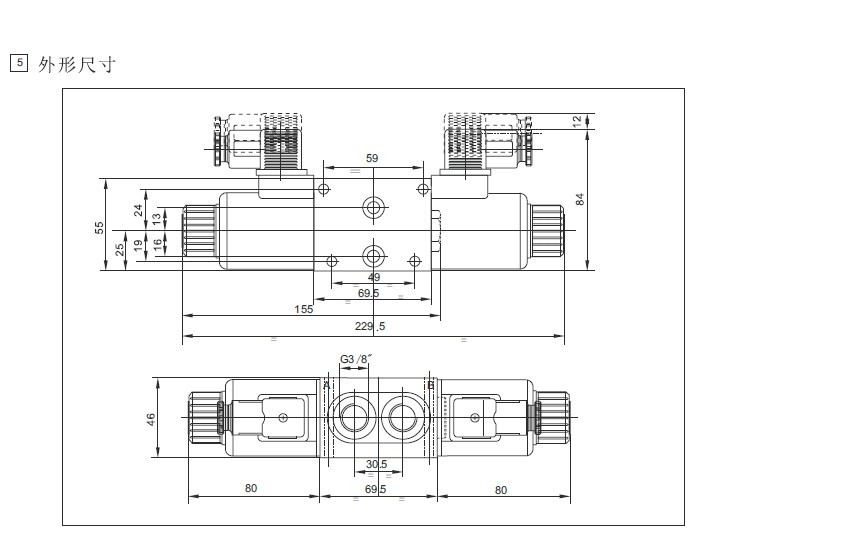
JCD.3方向控制多路阀
浏览:
4137
次 发表于:
2013-8-26 8:13:23
上一篇:
没有了
下一篇:
JCM.3M多路阀片上的溢流阀
特别专栏
Copyright © 2012 南通君集液压机械有限公司 All Rights Reserved 苏ICP备12054851号-1
企智网络
提供技术支持